Electrical Engineering

On-site Evaluation

Cleanrooms

Repair Process

Circuit Interconnects

Programming

Component Requirements

Component Sourcing

Soldering


 magnetic fan

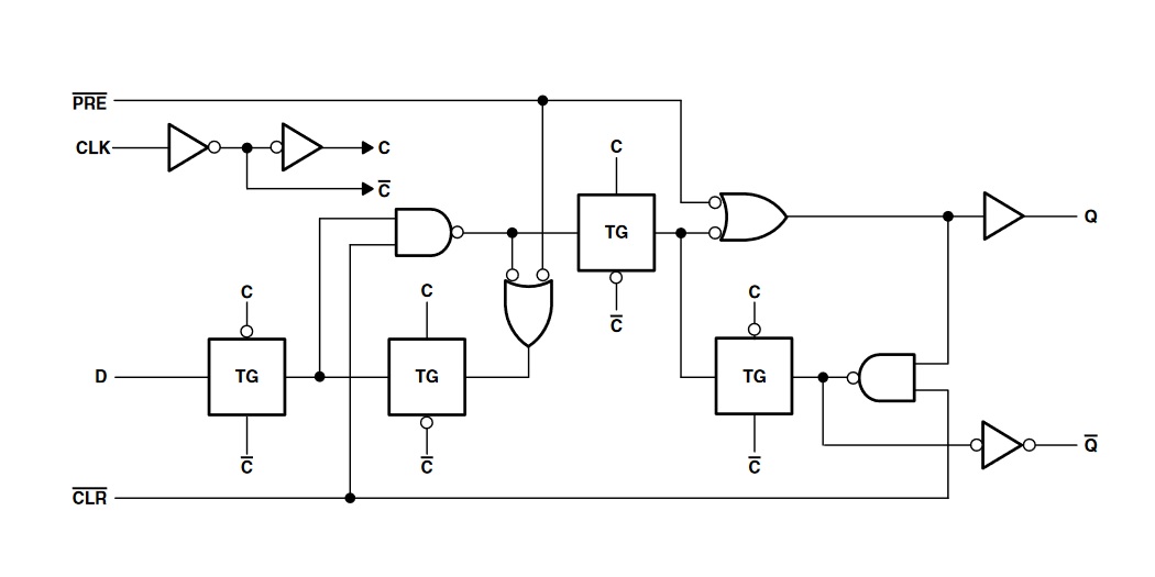
SN74LS74

Certifcation Bodies




Let us help you get started

Industrial Control Panels

Let us help you with certification requirements

  • Component Selection Requirements
  • Short Circuit Current Ratings
  • Branch Circuit Protection
  • UL 508A
  • Required Markings
  • Electrical Spacing
  • Wiring Diagrams
  • Grounding and Bonding

Assess your product against UL 508A requirements

Design for compliance


Quality Systems

Stay on top of your certification requirements

  • Non-conformance
  • Root Cause Analysis
  • Corrective Action
  • Product Labeling
  • Records
  • Calibration
  • Testing

Benefit from our audit and inspection experience

Are you seeking Third Party Certification? Let us help you